Description
Perkins SMART Brailler.
- The Perkins SMART Brailler is an innovative tool to teach and learn braille through visual, tactile and auditory feedback.
- This mechanical Brailler is equipped with a 4-inch built-in screen that displays SimBraille as well as large print.
- Speaker provides audio feedback with male and female voice options.
- Edit, save and transfer uncontracted and contracted Brailled documents to a computer using a USB flash drive.
Specifications
- Full right and left margin adjustments to accommodate any paper size and line centering
- Round paper-feed knobs to enable easy paper loading and unloading
- Metal carrying handle
- Fast response time between typing and output
- Ergonomic Design for ease of typing
- Audible bell sound seven spaces before end of line
- Carriage release, full horizontal movement between margin stops
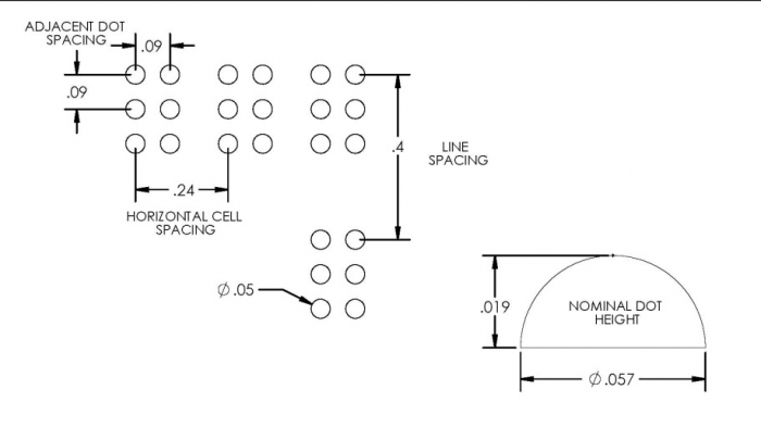
- Braille output conforms to American National Library Service for the Blind Size and Spacing Standard
- Includes user manual in both print and braille
- Includes leather dust cover
- Operational manual printed in English language and braille
- Weight: 8.5 lb. (3.9 kg)
- Dimensions: 14 in L x 5.5 in W x 9.5 in H (34 cm L x 15 cm W x 24 cm H)
- Cells per line: 28
- Lines per page: 26
- Screen size: 4.3 in (10.9 cm)
- Resolution: 480 X 272 pixels
- Available Languages: Unified English Braille, English, UK English, Spanish, French, German, Russian, Swedish, Polish, Turkish, Arabic and Portuguese
- Warranty: 1 Year
- Colour: May not be what is illustrated - Vendor is shipping dark or light blue versions
Note: Though exchanges for this product are permitted if there is a manufacturer's defect, this product is FINAL SALE and non-refundable. For that reason, we strongly recommend that you discuss your requirements with a CNIB specialist before purchasing in order to find the best solution for your individual needs.
- An interactive way to teach and learn Braille.
- The SMART Brailler is an early learning tool designed to promote an interactive educational experience between students, teachers and parents by displaying, vocalizing, and brailling what a student types.






